|
應用
|
|
|
防爆熱電阻通常和顯示儀表、記錄儀表等配套使用。直接測量生產現場存在碳氫化合物等爆炸的0~500℃范圍內液體、蒸汽和氣體介質以及固體表面溫度。
|
|
特點
|
|
●壓簧式感溫元件,抗振性能好;
●測量范圍大;
●毋須補償導線,節省費用;
●進口薄膜電阻元件,性能可靠穩定。
|
|
工作原理
|
|
|
防爆熱電阻利用間隙隔爆原理,設計具有足夠強度的接線盒等部件,將所有會產生火花、電弧和危險溫度的零部件都密封在接線盒腔內,當腔內發生爆炸時,能通過接合面間隙熄火和冷卻,使爆炸后的火焰和溫度傳不到腔外,從而進行測溫。
|
|
主要技術參數
|
|
|
●產品執行標準
IEC751
JB/T8622-1997
JB/T8623-1997
JB/T5518-91
|
|
|
常溫絕緣電阻
|
|
|
在環境溫度為15~35℃,相對濕度不大于80%,試驗電壓為10~100V(直流)電極及外套管之間的絕緣電阻≥100MΩ.m。
|
|
測溫范圍及允差
|
|
|
●測溫范圍及允差
|
|
|
型號
|
分度號
|
測量范圍
|
精度等級
|
允許偏差
|
|
HD-WZPJ
|
Pt100
|
-200~+500
|
A級
|
±(0.15+0.002|t|)
|
|
B級
|
±(0.30+0.005|t|)
|
|
HD-WZCJ
|
Cu50
Cu100
|
-50~+100
|
-
|
±(0.30+0.006|t|)
|
|
|
●取證一覽表
|
|
|
防爆級別
|
防爆證號
|
認證機構
|
|
dIIB T4
|
GYB96451
|
NEPSI
|
|
dIIB T4
|
GYB96452
|
NEPSI
|
|
dII CT5
|
GYB98338
|
NEPSI
|
|
dII CT5
|
GYB97178
|
NEPSI
|
|
iaIICT6
|
GYB99413
|
NEPSI
|
|
注:NEPSI防爆認證系*儀器儀表防爆安全監督檢驗站。
|
|
●防爆分組形式
|
|

○電氣設備類別
Ⅰ類——煤礦井下用電氣設備
Ⅱ類——工廠用電氣設備
○防爆等級
的防爆等級按其使用于爆炸性氣體混合物zui大安全間隙分為A、B、C三級。
|
|
類別
|
級別
|
zui大試驗安全間隙(MESG)mm
|
|
II
|
A
|
0.9≤MESG
|
|
B
|
0.5<MESG<0.9
|
|
C
|
MESG≤0.5
|
|
|
|
○溫度組別
的溫度組別按其外露部分允許zui高表面溫度分為T1~T6。
|
|
溫度組別
|
允許zui高表面溫度℃
|
|
T1
|
450
|
|
T2
|
300
|
|
T3
|
200
|
|
T4
|
135
|
|
T5
|
100
|
|
T6
|
85
|
|
防爆等級:IP65
|
|
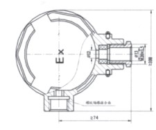
接線盒形式
|
|
|
●dⅡBT□級
|
●dⅡCT□級
|
|
|
|
|
|
|
|
型號命名方法
|
|
|
HD-W
|
溫度儀表
|
|
|
|
|
|
|
|
|
|
|
|
|
|
|
|
|
|
|
|
|
|
|
|
|
|
|
|
|
|
|
|
|
|
|
|
Z
|
熱電阻
|
|
|
|
|
|
|
|
|
|
|
|
|
|
|
|
|
|
|
|
|
|
|
|
|
|
|
|
|
|
|
|
|
|
感溫元件材料 分度號
|
|
P
C
|
鉑 Pt100
銅 Cu50
|
|
|
|
|
|
|
|
|
|
|
|
|
|
|
|
|
|
|
|
|
|
|
|
|
|
|
|
偶絲對數
|
|
無
2
|
單支
雙支
|
|
|
|
|
|
|
|
|
|
|
|
|
|
|
|
|
|
|
|
|
|
|
|
安裝固定形式
|
|
1
2
4
5
|
無固定裝置
固定螺紋
固定法蘭
活絡管接頭式
|
|
|
|
|
|
|
|
|
|
|
|
|
|
|
|
|
|
接線盒形式
|
|
4
|
防爆式
|
|
|
|
|
|
|
|
|
|
|
|
|
|
|
|
保護管直徑
|
|
0
1
|
Φ16
Φ12
|
|
|
|
|
|
|
|
|
|
|
|
工作端形式
|
|
G
|
變截面
|
|
|
|
|
|
|
|
|
|
|
|
HD-W
|
Z
|
P
|
2 -
|
2
|
4
|
0
|
G
|
典型型號示例
|
|
|
選型須知
|
|
|
1)型號
2)分度號
3)防爆等級
4)精度等級
5)安裝固定形式
6)保護管材質
7)長度或插入深度
例A:,Pt100型,固定螺紋M27×2,防爆等級dⅡBT4級,保護管316,插入深度300mm。型號為HD-WZP-240,Pt100,dⅡBT4 ,螺紋M27×2,保護管316,L=450×300mm。
|